首页
|
创维电视
平板程序
|
电路图
|
电路原理
|
调试说明
|
数据下载
|
维修实例
|
维修改进
|
工厂模式
|
其它资料
|
王牌电视
电路图
|
数据下载
|
电路原理
|
工厂调试说明
|
维修实例
|
技术改进方案
|
工厂模式
|
其它技术资料
|
长虹电视
电路图
|
数据下载
|
工厂调试说明
|
工厂模式
|
维修实例
|
维修经验荟萃
|
电路原理
|
其它技术资料
|
康佳电视
电路原理
|
数据下载
|
电路图
|
维修经验与技改
|
维修实例
|
工厂模式
|
调试说明
|
其它技术资料
|
海信电视
电路图
|
电路原理
|
工厂模式
|
工厂调试说明
|
数据下载
|
技术更改
|
维修实例
|
其它技术资料
|
其它品牌
厦华电视
|
海尔电视
|
高路华
|
乐华彩电
|
创佳彩电
|
西湖彩电
|
金星彩电
|
飞利蒲
|
华强三洋
|
国产品牌
|
进口品牌
首页-顶部横幅001
首页-顶部横幅002
首页-顶部横幅003
首页-顶部横幅004
首页-顶部横幅005
1
2
3
4
5
您好!欢迎来到彩维网!
会员登录
会员注册
在线投稿
搜 索
经典单元电路
彩电维修经典单元电路,供参考!
彩电电源电路
彩电伴音电路
彩电视放电路
彩电枕校电路
彩电场扫描电路
本栏热门
TDA3654场扫描功放典型应用电…
LA7841场扫描功放典型应用电路图
TDA8351场扫描功放典型应用电…
TDA8354Q场扫描功放典型应用电…
TA8427场扫描功放典型应用电路图
uPC1378H场扫描功放典型应用电…
TA8445K场扫描功放典型应用电…
TA8403场扫描功放典型应用电路图
LA7838场扫描功放典型应用电路图
TDA8351AQ场扫描功放典型应用…
您现在的位置:
彩维网
>
综合频道
>
经典单元电路
>
彩电场扫描电路
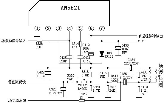
AN5521场扫描功放典型应用电路图
文章来源:本站原创
作者:huangyong
发布时间:2006年09月03日
字号:
小
大
AN5521
1脚:0V——地
2脚:14V——场输出
3脚:27V——场输出电源
4脚:0.8V——场脉冲输入
5脚:-0.2V——回扫启动脉冲输入
6脚:1V——泵电源输出
7脚:27V——电源
[打印文章]
[添加收藏]
上一篇:没有了!
下一篇:
AN5534场扫描功放典型应用电路图
[ 09-03 ]
发表评论: