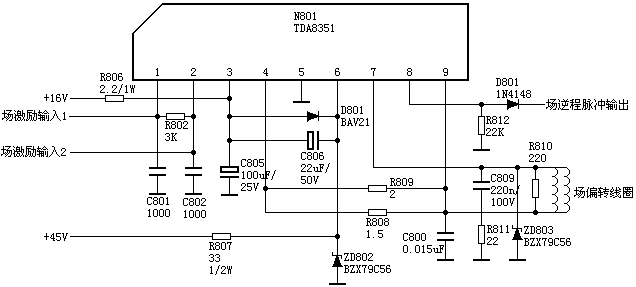
TDA8351场扫描功放典型应用电路图

该电路摘自金星D2933F
1脚:2.4V——正相输入端
2脚:2.4V——反相输入端
3脚:16V——电源1
4脚:8V——输出端(下)
5脚:0V——地
6脚:45V——电源2
7脚:8V——输出端(上)
8脚:0.2V——场基准电流
9脚:8V——反馈输入
上一篇:TDA3654场扫描功放典型应用电路图[ 09-03 ]
下一篇:TDA8351AQ场扫描功放典型应用电路图[ 09-03 ]
发表评论:





