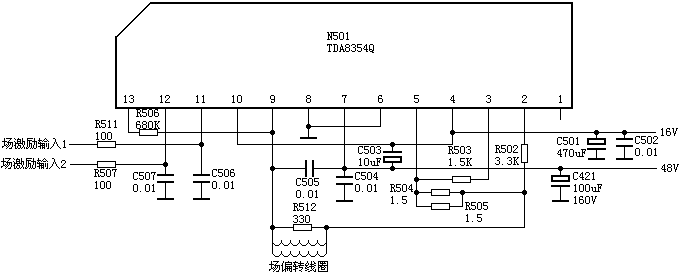
TDA8354Q场扫描功放典型应用电路图

该电路摘自金星D2908F
1脚:0.3V——
2脚:7.9V——电流反馈输入
3脚:8.4V——电压变换输入
4脚:16V——电源
5脚:8.4V——电压输出端(下)
6脚:0V——地
7脚:48V——电源
8脚:0V——地
9脚:8.4V——电压输出端(上)
10脚:16V——电源
11脚:1.2V——场推动输入(-)
12脚:1.2V——场推动输入(+)
13脚:2V——补偿电阻输入
上一篇:TDA8351AQ场扫描功放典型应用电路图[ 09-03 ]
下一篇:uPC1378H场扫描功放典型应用电路图[ 09-03 ]
发表评论:





