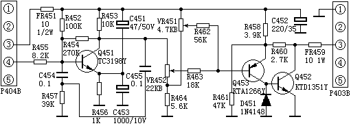
彩电分立元件组成的枕形校正典型应用电路图3

场锯齿波电压经P404的(4)脚送到枕校电路,R455、C454、R457组成积分电路,对场锯齿波积分,形成上凸的抛物波电压,加到抛物波整形放大管Q451的B极,经放大、整形后从C极输出9V(峰-峰值)的下凹抛物波电压,然后经VR451、VR452、R464、R463、R462组成的水平幅度调整、左右枕形失真调整网络,加到Q453、Q452组成的复合管的B极,经放大后从Q452的C极输出12.5V(峰-峰值)的抛物波电压,最后经FR459、P403的(3)脚送到行扫描电路,对行扫描电流调制。达到校正枕形失真的目的。
VR451是行幅调节电位器,VR452是枕形失真调整电位器。
上一篇:彩电分立元件组成的枕形校正典型应用电路图2[ 09-03 ]
下一篇:没有了!
发表评论:





