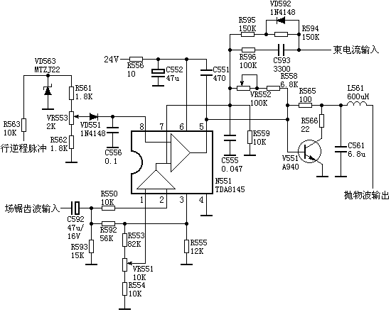
TDA8145组成的枕形校正典型应用电路图

TDA8145是用得很广的枕形校正专用IC,其基本工作原理如下:
场锯齿波电压经C592、R550送至N551的(2)脚,经IC内部放大限幅并作波形处理后在7脚形成上凸的场频抛物波电压,同时加至内部运放的反相输入端与8脚输入的行频锯齿波电压经运算并经倒相驱动后由N551第5脚输出,形成下凹的场抛物波电压(幅度受场频抛物波电压调制的行脉冲).此电压V551放大后,经L561输出场抛物波电压。
图中的VR552为枕型失真校正量调节电位器,调节它实质上是改变了N551的5脚输出信号反馈到7脚的负反馈量,也就改变了5脚输出的抛物波电压幅度,使校正量适中,使光栅保持矩状不失真状态。
VR553为行幅度调整电位器,由行输出变压器送来的行脉冲信号经R562和VD563的切割后形成纯18Vp-p的脉冲,通过VR553调节后,经VD551与C556的积分作用形成行锯齿波电压加至IC361的8脚,调节VR553即可改变8脚输入脉冲的幅度,也就改变了5脚输出的行脉冲电幅度。
VR551是光栅梯形失真校正电位器,调节它即改变了N551的1脚的直流电位,从而改变了内部运放输出的抛物波斜率,达到校正梯形失真的作用。
上一篇:TA8859组成的枕形校正典型应用电路图[ 09-03 ]
下一篇:东芝2500XH组成的枕形校正典型应用电路图[ 09-03 ]
发表评论:





