金星D2902电源电路原理介绍
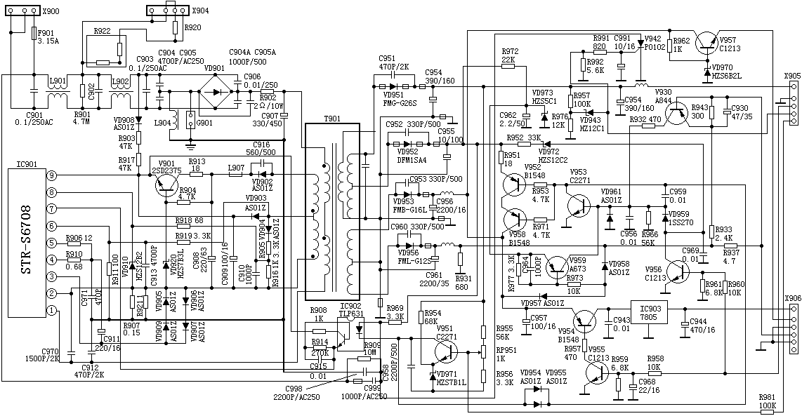
金星D2902、D2912等机型的电源采用了三根公司的电源厚膜块STR-S6708,该电源具有适应电网电压宽(90V-270V)、保护电路完善、外围元件少等特点,该电路能改变开关电源脉冲宽度,在待机时采用窄脉冲方式工作,在正常开机时采用宽脉冲方式工作,因而无须另设待机时的辅助电源。
开关电路振荡过程
STR-S6708的(9)脚是电源供应脚,只有(9)脚供电正常,厚膜电路才会正常工作。
VD908从220V交流电上直接整流,经R903、R917限流、C909滤波后得到8V左右的直流电压,加到IC901的(9)脚,IC901开始工作,开关电源开始振荡,由VD908整流得到的电压能量较小,不能维持IC901的正常工作,但是当开关电源开始振荡后,开关变压器T901的(V2)脚将输出电压,经VD903整流、C909滤波后可得到稳定的8V电压,向IC901供电。
光有VD903整流后的电压仍然是不行的,因为当电视机进入待机状态时,整机的主电压将从127V下降到30V左右,此时,开关变压器的(V2)脚输出电压也将大幅度下降,经VD903整流后的电压根本达不到8V,这时就要靠V901这一回路来继续维持供电了。在正常开机状态,开关变压器的(V3)脚输出电压,经VD902整流、C908滤波后得到约45V左右的直流电压,加到V901的C极,但是,由于这时的V901的发射极电压为8V,而基极接有稳压管VD920,VD920的稳压值是7.2V,所以V901的基极电压比发射极电压低,V901不会导通,IC901的(9)脚供电由VD903提供。当整机进入待机状态时,开关变压器的(V3)脚输出电压经VD902整流后的到11V左右的电压,此时,由于VD903输出的电压很低,V901得到正偏开始导通,其发射极输出电压为6.7V左右,继续为IC901的(9)脚提供电源。
V901回路的另一个作用是,当电网电压降低时,VD903整流后的电压也将降低,当降低到6.6V以下时,V901会导通,继续向STR-S6708的(9)脚供电,所以,这种开关电源适应电网电压的范围很宽。
IC901的(9)脚得到电压后开始振荡,其振荡的脉冲频率和脉冲宽度由IC901内部的RC时间常数决定。振荡脉冲从IC901的(5)脚输出,然后分为二路:一路作为负反馈信号经R906、R910送回IC901的(4)脚,以控制IC901内部比例驱动电路的工作状态;另一路经C911送回到IC901的(3)脚,STR-S6708的(3)脚是内部开关管的基极,(1)脚是集电极,(2)脚是发射极。在开关脉冲的作用下开始振荡,开关管在C、E间产生振荡电流,在开关变压器的(P1)、(P2)绕阻产生感应电压,经耦合后在其它绕组也产生相应的感应电压,经整流滤波后供各级负载使用。
由STR-S6708组成的开关电源,只要其(9)脚加上6V以上的电压,电路就能起振,不需另设正反馈电路。
稳压过程
STR-S6708是根据改变(7)脚的电流来控制输出电压的大小的,(7)脚电流越大,开关管导通时间变短,输出电压就越低;反之,(7)脚电流越小,开关管导通时间变长,输出电压就越高。
整机输出电压的大小由V951控制,V951是取样三极管,R955是取样电阻,直接从主电源上取样,若有某种原因使得主电源电压升高,则会发生下面一系列控制过程,最终使输出电压稳定:
+B升高→V951的B极电压↑→V951的C极电压↓→光耦IC902的(1)、(2)脚的电流↑→光耦IC902的(4)、(5)脚的电流↑→STR-S6708(7)脚电流↑→输出电压降低。
反之,若输出电压降低,则发生上述相反的过程。
待机/开机控制
D2902的待机/开机设计比较独特,也比较复杂,下面我们来分析这一部分的电路。
D2902的电源输出中有二个5V,但排插X306的(2)脚上的5V是CPU的供电电压,它不受开机或待机的控制,输出电压始终保持5V,因而能在待机时继续为CPU供电。
在开机时,CPU的POWER脚输出高电平,加到V956的基极,V956饱和导通,此时,对VD959而言,由于其正端电压为0V,所以VD959截止,VD953基极由于得不到偏置而截止,V952、V958也都截止,V957的集电极电压由VD953整流滤波后得到(约9V),经稳压后从发射极输出5V-STB电压,供CPU使用。
待机时,CPU的POWER脚输出低电平,加到V955基极,V955截止,V954因无偏置也截止,所以IC903这一路的5V停止输出;加到V956的基极,V956截止,另一方面,由VD952整流输出的电压约15V(开机时为80V),经R952、VD972加到VD959的正极,经VD959加到VD953的基极,使VD953导通,IC902的电流增大,各路电压大幅度下降,由VD953整流滤波后得到的电压也大幅度下降(约3V),已无法向V957的集电极提供电压,但由于VD953导通,V952、V958也导通,继续向V957的集电极供电,经V957稳压后继续输出5V电压向CPU供电。
开关电源的保护
D2902电源有完善的保护功能,STR-S6708本身能检测开关电源的工作状态,能对过流、过压、开关管的尖峰脉冲等实施保护。而对于后级的各路负载有着复杂而全面的保护,下面我们对各种保护予以介绍。
一:电源厚膜块的保护。
STR-S6708电源厚膜块具有过热、过压、过流三种保护。
1·过热保护:当电源工作异常引起STR-S6708温度升高时,内部的热敏元件测到温度达到150℃,温度保护电路动作,内部振荡器停振,开关管无驱动脉冲而停止工作。温度保护是STR-S6708自身具有的功能,无需外围电路。
2·过压保护:STR-S6708的(9)脚既是供电脚,同时也是过压保护电路检测端,内接过压保护电路,当(9)脚电压大于11V时,保护电路动作,内部振荡器停振,开关管无驱动脉冲而停止工作。
STR-S6708的(8)脚也有过压保护作用,当(8)脚电压大于1.5V时,内部振荡电路停止工作,开关电源无输出。
3·过流保护:STR-S6708的(2)脚是内部开关管的发射极,(2)脚通过R907和R921并联后接地,显然,R907、R921上流过的电流就是开关管的发射极电流,R907、R921上所产生的压降能反映出开关管电流的大小。R907、R921上所产生的压降经R911加到(6)脚,当(6)脚电压比(2)脚电压低1V以上时,内部振荡电路停止工作,开关电源无输出。
二:负载的保护。
1·主电源过压保护:由R975和R976对主电源电压进行分压取样,当分压点电压大于12.7V时,VD943导通,取样电压经VD943、R991加到V942的控制脚,V942导通,V942导通后引起光耦IC902的(1)、(2)脚电流减小,从而引起IC902的(4)、(5)脚电流减小,这样会引起开关电源各路电压进一步升高,但当STR-S6708的(9)脚电压大于11V时,开关电源将停振,从而无输出电压,达到了保护的目的。注意:V942的导通将引起开关电源将停振,后面还有几路保护,都是通过使V942导通而起到保护目的的。
2·伴音电路过流保护:由VD956整流滤波后输出30V电压经R935后送往伴音功放电路,R935上的压降能反映出伴音功放电路的电流,当R935上的电压大于0.7V时,V930导通,引起V953导通,这时,VD954、VD955的负极相当于接地,引起IC902的(2)脚电压几乎为0,IC902的电流增大,开关电源输出电压大幅度降低,当IC901的(9)脚电压降到6V以下时,开关电源停振。
3·13V、30V短路保护:VD952整流滤波输出的22V电压,经R972、VD973在V959的E极建立一个5V基准电压,当13V或22V出现短路时,VD957或VD958会导通,V959得到正偏而导通,V953导通,进入保护状态。
4·主电源过流保护:主电源电压经R724后加到FBT的+B脚(D2912图纸上画的有误),R724上的压降反映了行电流的大小,当行电流过大时,R724上的电压经R723、R720、R725分压后使V714导通,V942导通,电源进入保护状态。
5·+12V短路保护:行输出变压器输出的15V电压,经IC701三端稳压器稳压后输出12V电压,若12V电压有短路或负载太重,将使得IC701的(1)、(2)脚电位差增大,一旦IC701的(1)、(2)脚电位差大于VD701的稳压值(9V)时,VD701导通,V717也导通,V942导通,电源进入保护状态。
6·灯丝电压保护:行输出变压器输出的灯丝脉冲电压经VD716整流、C727滤波后变成直流电压,然后经R753、R753A、R727分压,一旦分压后的电压大于 12V,VD717将导通,V942导通,电源进入保护状态。
7·帧输出过流保护:行输出变压器输出的25V电压经R623加到帧输出电路,如果帧输出电流过大,则R623上的压降也增大,引起V602导通,V942导通,电源进入保护状态。
8·帧幅过大保护:当帧幅过大时,R613上会产生很大的锯齿波电压,此电压经VD602整流、C620滤波后变成直流电压,一旦此电压大于1.2V时,VD603导通,V942导通,电源进入保护状态。






