金星C6478电源电路原理介绍
金星C6478的开关电源目前在国内的彩电中用的比较广泛,主要有:东芝2929KPT(待机、开机控制部分略有不同)、长虹C2518、C2588(已作了简化)、长虹C2919、C2939、C3418(待机、开机控制部分略有不同,与东芝2929KPT相同)、北京C2931。
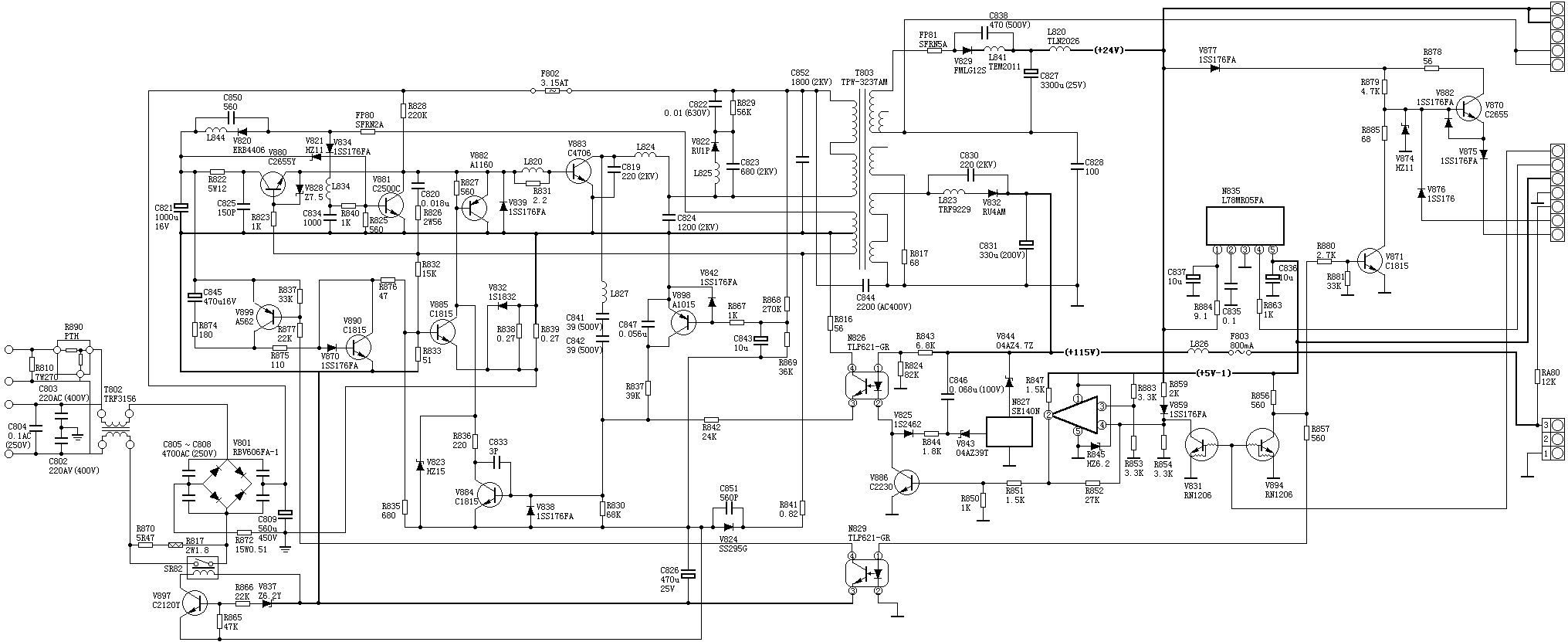
振荡电路由R828、V883、R826、C820、C852、T803的(5)、(1)和(7)、(9)绕组组成。其中R828是起动电阻,C820是振荡电容,T803的(7)、(9)绕组是正反馈绕组。
恒流驱动电路由V820、C821、R822、R823、V880、T803的(7)、(8)和(7)、(9)绕组组成,目的是为开关管V883提供恒流驱动,使V883的基极电流不受电网电压的影响,实现超宽电源稳压,使该开关电源能适应90V~270V的电网电压。
输出稳压控制电路由N827、N826、V884、V882、V824、C826等元件组成。其中N827为输出电压取样电路,输出电压的波动,通过N827的(2)脚反映出来,从而影响了N826的导通程度,进一步影响了V884、V882的,这样就能控制V883的基极电流,也就稳定了输出电压。C6478的主电源电压是115V(原线路图上标145V是错误的)。V824、C826的作用是为V884提供工作电压。
待机/开机控制电路由V831、N830、V886、V894、V871、V870等元件组成。
待机时,CPU的POWER脚输出低电平,V831、V894均截止。V831的截止使N827的(4)、(2)脚为高电平,V886导通,N826中流过最大电流,使开关电源输出电压大大降低(主电源电压降到70V左右)。V894的截止使V871导通,造成V870截止,使行振荡电路失去9V工作电压,行扫描电路停止工作。
开机时,CPU的POWER脚输出高电平,则发生上述相反的过程。
各种保护电路:
V885、R838、R839、R832、R833组成过流保护电路。R838、R839为开关管电流取样电阻,当开关管过流时,R838、R839上的压降增大,V885导通,V882也导通,开关管基极被分流,达到了限流的目的。
V898及周边元件组成欠压保护电路。当电网电压大于90V时,该部分电路不起作用,当电网电压低于90V时,V898导通,造成V884、V882均导通,开关管截止。






