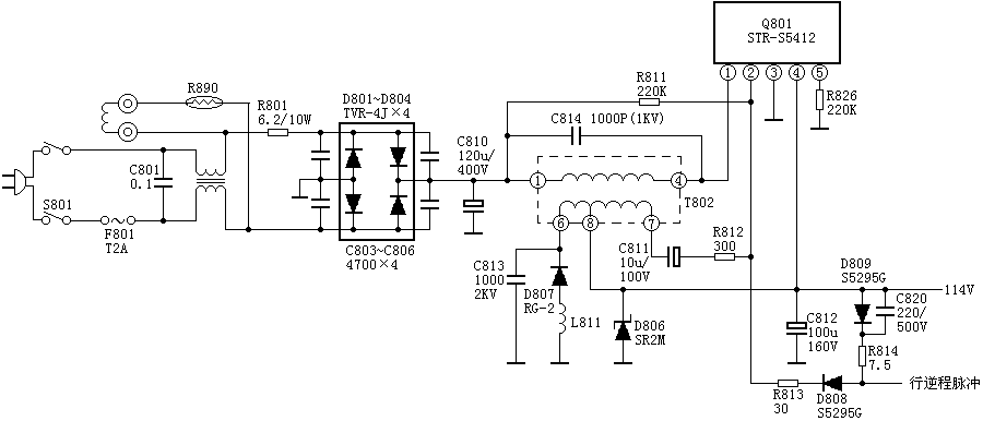
STR5412电源电路原理介绍
采用STR5412厚膜块的彩电在前几年用的很多,它属于热底板机芯。
振荡过程
C810上的300V直流电压经R811加到STR5412的(2)脚内部开关管的B极,同时经T802的(1)、(4)绕组加到STR5412的(1)脚内部开关管的C极,开关管开始导通,在T802的(1)、(4)脚产生感应电压,经T802耦合,在(7)、(8)绕组也产生感应电压,极性为(7)正(8)负,此正反馈电压经C811、R812加到STR5412的(2)脚,使内部开关管电流进一步增大,强烈的正反馈使开关管迅速饱和。
开关管饱和后,T802(1)、(4)脚中的电流线性增大,电流从STR5412的(4)脚,即开关管的E极流出,在C812上建立112V的直流电压,同时T802储存磁场能量。此时正反馈绕组对C811不断充电,使STR5412(2)脚的电压不断下降,最后迫使STR5412内部开关管退出饱和状态。
开关管退出饱和状态后,T802(1)、(4)脚中的电流减小,使T802各绕组的感应电压极性全部翻转,此时T802(7)、(8)绕组感应电压的极性为(8)正(7)负,T802(7)脚的电压又经C811、R812加到STR5412的(2)脚,使内部开关管的电流进一步减小,如此循环使开关管迅速截止。
开关管截止期间,T802(6)、(8)绕组上的感应电压极性为(8)正(6)负,续流二极管D807导通,T802中磁场能量经D807释放给C812,使C812上112V电压更加平滑,同时C811上的电压经R812、T802(7)、(8)绕组放电,300V电压经R811给C811反向充电,使C811正端的电压越来越高,另一方面,行逆程脉冲经D808、R813送到STR5412的(2)脚,使开关管的截止期提前结束,又进入下一个振荡循环。
稳压电路
STR5412的稳压电路由内部自动完成。STR5412设计时输出电压为112V,如想改变输出电压,可在(4)、(5)脚或(3)、(5)脚并联电阻来实现,在(4)、(5)脚并联电阻时,输出电压下降(并联电阻的阻值在150K以上,视需要而定);在(3)、(5)脚并联电阻时,输出电压电压上升(应从47K开始逐步减小阻值,不可将电阻取得太小而使输出电压大幅度上升)。
保护电路
D806为输出过压保护稳压管,若输出电压过高(大于130V),D806击穿,开关电源停振。






