首页
|
创维电视
平板程序
|
电路图
|
电路原理
|
调试说明
|
数据下载
|
维修实例
|
维修改进
|
工厂模式
|
其它资料
|
王牌电视
电路图
|
数据下载
|
电路原理
|
工厂调试说明
|
维修实例
|
技术改进方案
|
工厂模式
|
其它技术资料
|
长虹电视
电路图
|
数据下载
|
工厂调试说明
|
工厂模式
|
维修实例
|
维修经验荟萃
|
电路原理
|
其它技术资料
|
康佳电视
电路原理
|
数据下载
|
电路图
|
维修经验与技改
|
维修实例
|
工厂模式
|
调试说明
|
其它技术资料
|
海信电视
电路图
|
电路原理
|
工厂模式
|
工厂调试说明
|
数据下载
|
技术更改
|
维修实例
|
其它技术资料
|
其它品牌
厦华电视
|
海尔电视
|
高路华
|
乐华彩电
|
创佳彩电
|
西湖彩电
|
金星彩电
|
飞利蒲
|
华强三洋
|
国产品牌
|
进口品牌
首页-顶部横幅001
首页-顶部横幅002
首页-顶部横幅003
首页-顶部横幅004
首页-顶部横幅005
1
2
3
4
5
您好!欢迎来到彩维网!
会员登录
会员注册
在线投稿
搜 索
CRT彩电机芯电路图
T系列(东芝)电路图
A系列老机芯电路图
I系列机芯电路图
N系列(松下)电路图
P系列菲利蒲电路图
S系列机芯电路图
Y系列(三洋)电路图
D系列高端电路图
M系列机芯电路图
本栏热门
6M2X机芯电路原理图
创维6M31机芯主板电路图
创维彩电6M35、6M50机芯电路原…
创维高清彩电6M31机芯数字板电…
5M10机芯电路原理图
创维高清彩电6M58机芯原理图下载
5M01机芯电路原理图
您现在的位置:
彩维网
>
创维电视
>
电路图
>
CRT彩电机芯电路图
>
M系列机芯电路图
6M2X机芯电路原理图
文章来源:本站原创
作者:skyisa
发布时间:2005年04月03日
字号:
小
大
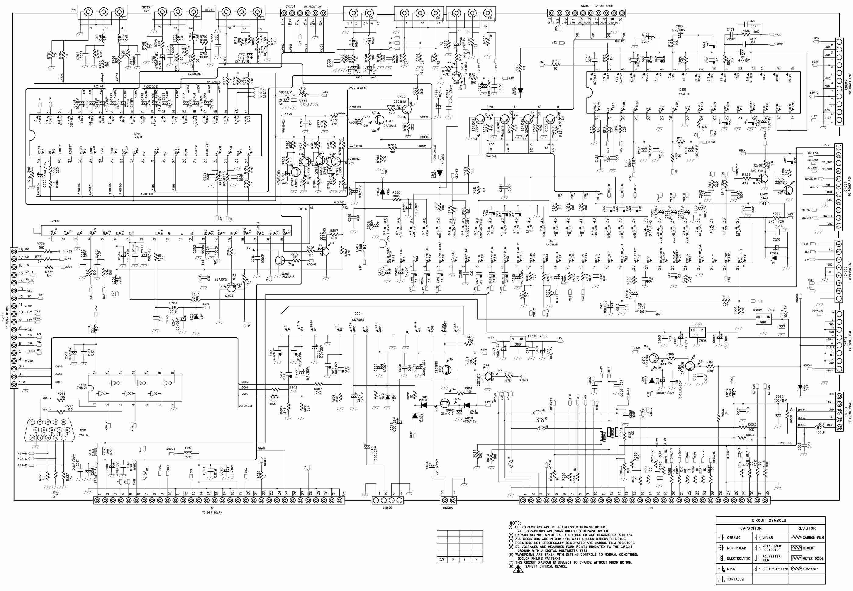
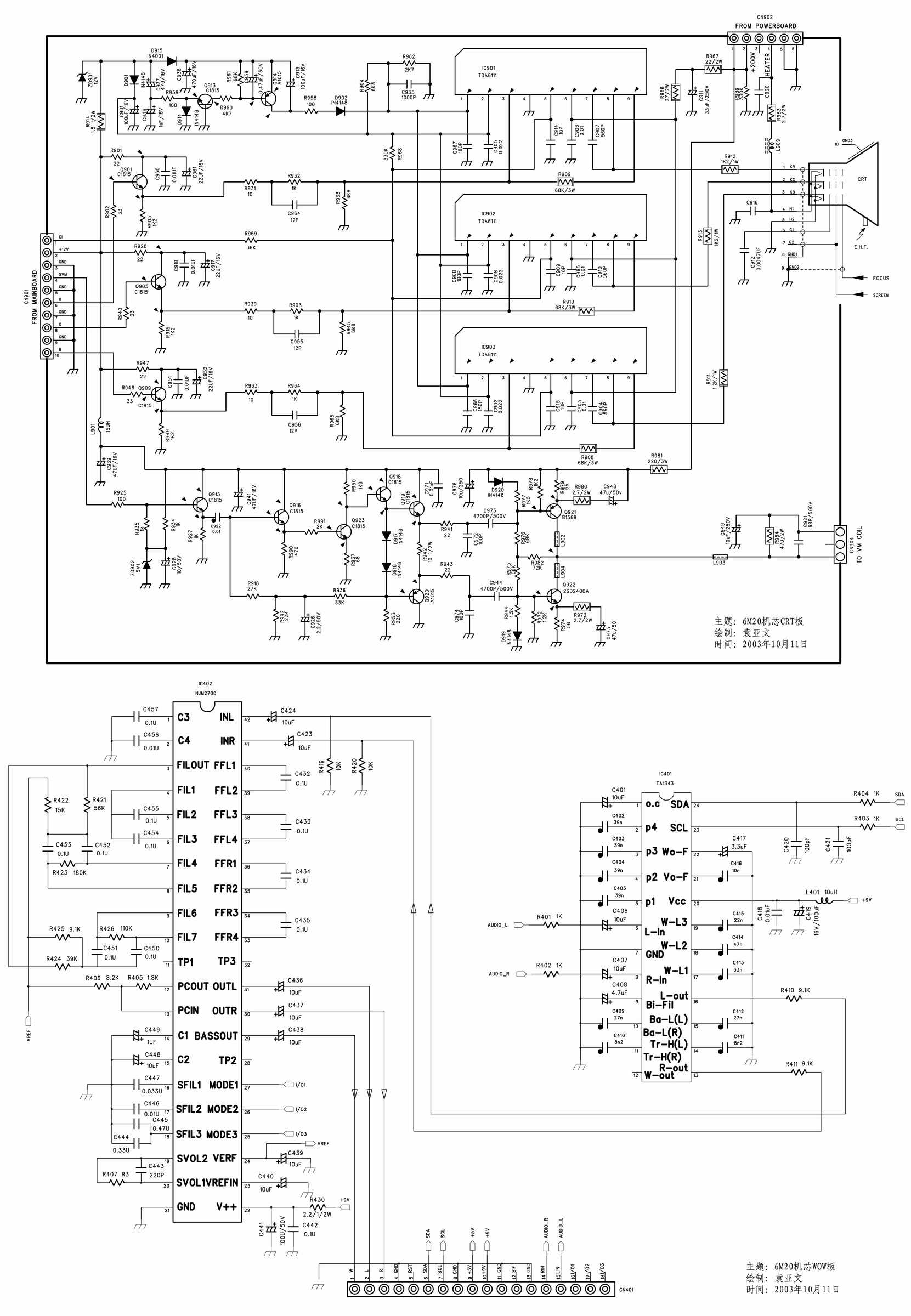
6M2X机芯电路原理图:
主板电路图:
点击浏览该文件
视放板与伴音处理板电路图:
数字板电路图:
主板电路图:
[打印文章]
[添加收藏]
上一篇:
5M10机芯电路原理图
[ 04-03 ]
下一篇:
创维6M31机芯主板电路图
[ 04-23 ]
发表评论: