功率MOSFET(金属氧化物半导体场效应管)的基本知识
功率MOSFET主要用于计算机外设(软、硬驱动器、打印机、绘图机)、电源(AC/DC变换器、DC/DC变换器)、汽车电子、音响电路及仪器、仪表等领域。
本文将介绍功率MOSFET的结构、工作原理及基本工作电路。
什么是MOSFET
“MOSFET”是英文MetalOxide Semicoductor Field Effect Transistor的缩写,译成中文是“金属氧化物半导体场效应管”。它是由金属、氧化物(SiO2或SiN)及半导体三种材料制成的器件。所谓功率MOSFET(Power MOSFET)是指它能输出较大的工作电流(几安到几十安),用于功率输出级的器件。
MOSFET的结构
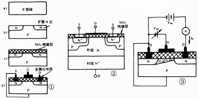
图1是典型平面N沟道增强型MOSFET的剖面图。它用一块P型硅半导体材料作衬底(图la),在其面上扩散了两个N型区(图lb),再在上面覆盖一层二氧化硅(SiQ2)绝缘层(图lc),最后在N区上方用腐蚀的方法做成两个孔,用金属化的方法分别在绝缘层上及两个孔内做成三个电极:G(栅极)、S(源极)及D(漏极),如图1d所示。
javascript:resizepic(this) border=undefined>从图1中可以看出栅极G与漏极D及源极S是绝缘的,D与S之间有两个PN结。一般情况下,衬底与源极在内部连接在一起。
图1是N沟道增强型MOSFET的基本结构图。为了改善某些参数的特性,如提高工作电流、提高工作电压、降低导通电阻、提高开关特性等有不同的结构及工艺,构成所谓VMOS、DMOS、TMOS等结构。图2是一种N沟道增强型功率MOSFET的结构图。虽然有不同的结构,但其工作原理是相同的,这里就不一一介绍了。
MOSFET的工作原理
要使增强型N沟道MOSFET工作,要在G、S之间加正电压VGS及在D、S之间加正电压VDS,则产生正向工作电流ID。改变VGS的电压可控制工作电流ID。如图3所示(上面↑)。
若先不接VGS(即VGS=0),在D与S极之间加一正电压VDS,漏极D与衬底之间的PN结处于反向,因此漏源之间不能导电。如果在栅极G与源极S之间加一电压VGS。此时可以将栅极与衬底看作电容器的两个极板,而氧化物绝缘层作为电容器的介质。当加上VGS时,在绝缘层和栅极界面上感应出正电荷,而在绝缘层和P型衬底界面上感应出负电荷(如图3)。这层感应的负电荷和P型衬底中的多数载流子(空穴)的极性相反,所以称为“反型层”,这反型层有可能将漏与源的两N型区连接起来形成导电沟道。当VGS电压太低时,感应出来的负电荷较少,它将被P型衬底中的空穴中和,因此在这种情况时,漏源之间仍然无电流ID。当VGS增加到一定值时,其感应的负电荷把两个分离的N区沟通形成N沟道,这个临界电压称为开启电压(或称阈值电压、门限电压),用符号VT表示(一般规定在ID=10uA时的VGS作为VT)。当VGS继续增大,负电荷增加,导电沟道扩大,电阻降低,ID也随之增加,并且呈较好线性关系,如图4所示。此曲线称为转换特性。因此在一定范围内可以认为,改变VGS来控制漏源之间的电阻,达到控制ID的作用。
javascript:resizepic(this) border=undefined>由于这种结构在VGS=0时,ID=0,称这种MOSFET为增强型。另一类MOSFET,在VGS=0时也有一定的ID(称为IDSS),这种MOSFET称为耗尽型。它的结构如图5所示,它的转移特性如图6所示。VP为夹断电压(ID=0)。
耗尽型与增强型主要区别是在制造SiO2绝缘层中有大量的正离子,使在P型衬底的界面上感应出较多的负电荷,即在两个N型区中间的P型硅内形成一N型硅薄层而形成一导电沟道,所以在VGS=0时,有VDS作用时也有一定的ID(IDSS);当VGS有电压时(可以是正电压或负电压),改变感应的负电荷数量,从而改变ID的大小。VP为ID=0时的-VGS,称为夹断电压。
除了上述采用P型硅作衬底形成N型导电沟道的N沟道MOSFET外,也可用N型硅作衬底形成P型导电沟道的P沟道MOSFET。这样,MOSFET的分类如图7所示。
javascript:resizepic(this) border=undefined>耗尽型:N沟道(图7a);P沟道(图c);
增强型:N沟道(图b);P沟道(图d)。
javascript:resizepic(this) border=undefined>
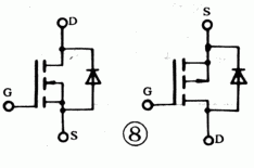
为防止MOSFET接电感负载时,在截止瞬间产生感应电压与电源电压之和击穿MOSFET,一般功率MOSFET在漏极与源极之间内接一个快速恢复二极管,如图8所示。
功率MOSFET的特点
功率MOSFET与双极型功率相比具有如下特点:
1.MOSFET是电压控制型器件(双极型是电流控制型器件),因此在驱动大电流时无需推动级,电路较简单;
2.输入阻抗高,可达108Ω以上;
3.工作频率范围宽,开关速度高(开关时间为几十纳秒到几百纳秒),开关损耗小;
4.有较优良的线性区,并且MOSFET的输入电容比双极型的输入电容小得多,所以它的交流输入阻抗极高;噪声也小,最合适制作Hi-Fi音响;
5.功率MOSFET可以多个并联使用,增加输出电流而无需均流电阻。
典型应用电路
javascript:resizepic(this) border=undefined>
1.电池反接保护电路
电池反接保护电路如图9所示。一般防止电池接反损坏电路采用串接二极管的方法,在电池接反时,PN结反接无电压降,但在正常工 作时有0.6~0.7V的管压降。采用导通电阻低的增强型N沟道MOSFET具有极小的管压降(RDS(ON)×ID),如Si9410DY的RDS(ON)约为0.04Ω,则在lA时约为0.04V。这时要注意在电池正确安装时,ID并非完全通过管内的二极管,而是在VGS≥5V时,N导电沟道畅通(它相当于一个极小的电阻)而大部分电流是从S流向D的(ID为负)。而当电池装反时,MOSFET不通,电路得以保护。
2.触摸调光电路
一种简单的触摸调光电路如图10。当手指触摸上触头时,电容经手指电阻及100k充电,VGS渐增大,灯渐亮;当触摸下触头时,电容经
100k及手指电阻放电,灯渐暗到灭。
3.甲类功率放大电路
由R1、R2建立VGS静态工作点(此时有一定的ID流过)。当音频信号经过C1耦合到栅极,使产生-△VGS,则产生较大的△ID,经输出变压器阻抗匹配,使4~8Ω喇叭输出较大的声功率。图ll中Dw为9V稳压二极管,是保护G、S极以免输入过高电压而击穿。从图中也可以看出,偏置电阻的数值较大,因为栅极输入阻抗极高,并且无栅流。





